热门关键词: 电动牙刷电机航模电机打印机电机电动窗帘电机智能门锁电机


齿轮箱类别:行星齿轮
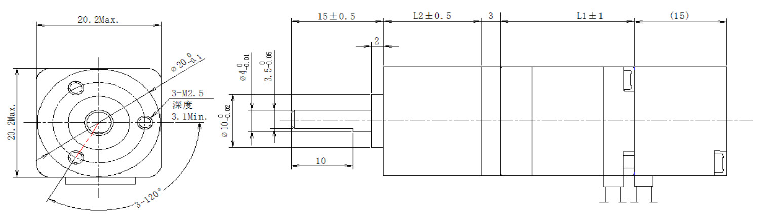
步距角:1.8°
电感:2.5mH
保持扭矩:140gf.cm
生产的电机产品与正齿齿轮箱、行星齿轮箱、编码器、刹车器、控制器之间能够形成许多的组合方案。
您可以将产品需求提供给我们市场销售人员,我们将为您挑选或设计最适宜的组合方案。
28多多20系列闭环步进电机+齿轮箱,带编码器步进电机是一种直接将电脉冲转化为角度位置的机械装置,转速的大小取决于脉冲的数量,它和与其配套的步进电机驱动装置共同组成了一套控制简单而又低成本的开环系统。配合编码器及外围驱动系统使用,又可成为低成本的步进伺服系统(闭环系统)。
28多多电机针对不同客户需求,将系列化产品通过改变输出端零件结构、内部工艺参数、电气连接等因素(例如:异性轴、高速轴承、法兰螺纹连接、特殊电缆等等),能够为您带来极大的便利,更加可靠、高效地将您需要的产品及时送达。
步进电机应用于牙科综合治疗仪、胰岛素注射泵、医用注射泵、假肢、组织粉碎器、轮椅、磨骨
无刷电机应用于纹身机、纹眉机、磨甲机
步进电机应用于车窗自动系统、空调系统、驾驶辅助系统、座椅调节
无刷电机应用于电动打磨机、电动钻孔、电动螺丝刀、自动切割机
无刷电机应用于电动打磨机、电动钻孔、电动螺丝刀、自动切割机