热门关键词: 电动牙刷电机航模电机打印机电机电动窗帘电机智能门锁电机


额定电压:18V、24V、36V
额定速度:16500rpm
额定转矩:78.8mN.m
额定电流:9.0A
生产的电机产品与正齿齿轮箱、行星齿轮箱、编码器、刹车器、控制器之间能够形成许多的组合方案。
您可以将产品需求提供给我们市场销售人员,我们将为您挑选或设计最适宜的组合方案。
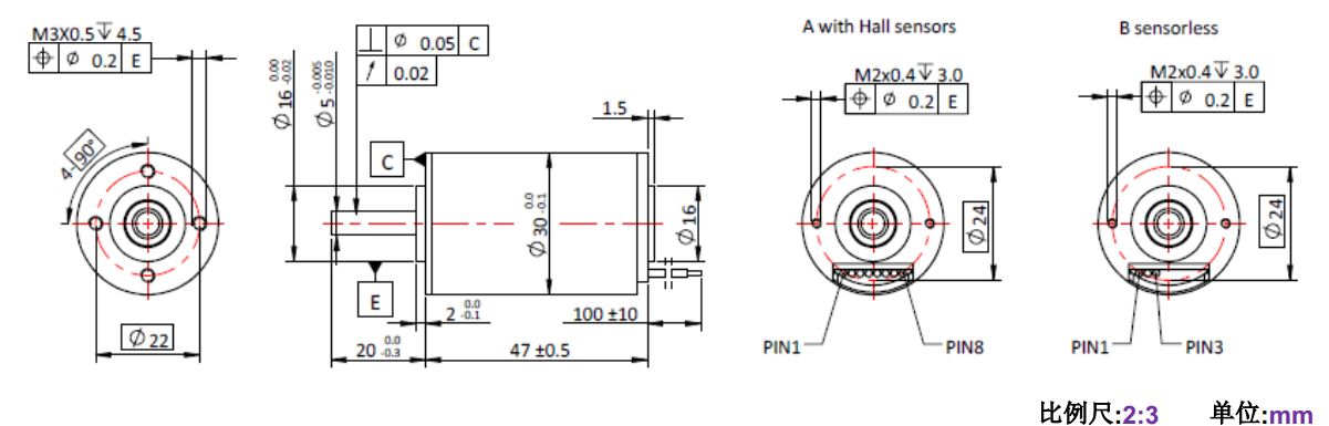
28多多空心杯电机针对不同客户需求,将系列化产品通过改变输出端零件结构、内部工艺参数、电气连接等因素(例如:异性轴、高速轴承、法兰螺纹连接、特殊电缆等等),能够为您带来极大的便利,更加可靠、高效地将您需要的产品及时送达。
牙科综合治疗仪、胰岛素注射泵、医用注射泵、假肢、组织粉碎器、轮椅、磨骨
在纹身机、纹眉机、磨甲机
车窗自动升降系统、空调系统、驾驶辅助系统、座椅调节
电动打磨机、电动钻孔、电动螺丝刀、自动切割机
电动打磨机、电动钻孔、电动螺丝刀、自动切割机