热门关键词: 电动牙刷电机航模电机打印机电机电动窗帘电机智能门锁电机


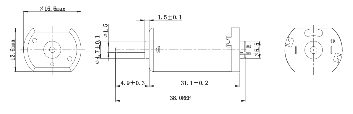
额度电压 (V):1.2
空载转速(r/min):8480
空载电流 (A):0.21
生产的电机产品与正齿齿轮箱、行星齿轮箱、编码器、刹车器、控制器之间能够形成许多的组合方案。
您可以将产品需求提供给我们市场销售人员,我们将为您挑选或设计最适宜的组合方案。
28多多电机针对不同客户需求,将系列化产品通过改变输出端零件结构、内部工艺参数、电气连接等因素(例如:异性轴、高速轴承、法兰螺纹连接、特殊电缆等等),能够为您带来极大的便利,更加可靠、高效地将您需要的产品及时送达。
有刷电机应用于牙科综合治疗仪、胰岛素注射泵、医用注射泵、假肢、组织粉碎器、轮椅、磨骨
有刷电机应用于纹身机、纹眉机、磨甲机
有刷电机应用于车窗自动系统、空调系统、驾驶辅助系统、座椅调节
有刷电机应用于电动打磨机、电动钻孔、电动螺丝刀、自动切割机
有刷电机应用于电动打磨机、电动钻孔、电动螺丝刀、自动切割机